
Crane rail is specially used for laying tracks for cranes, such as railroad cranes, overhead cranes, gantry cranes and other types of cranes. It provides a smooth and strong runway for the cranes to move forward and backward when operating heavy loads.
As an important industrial rail, crane rail is produced to bear crane load, especially the transverse load. So the design of crane rail is quite different from transit rails.
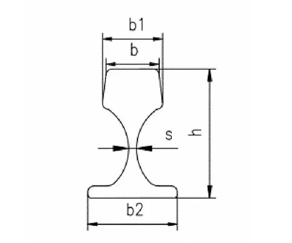
The crane rail profile has the characteristics of lower height, larger head width, and web thickness. Compared to railroad tracks. the inspection of crane rail only needs to contain chemical composition and tensile strength.
The profile has evolved to meet the stringent demands for various applications in railway lines, steel mills, ports, wharfs, shipbuilding, mining, coking, power, metallurgy, etc., industries. A variety of models have been developed to meet the demand for different crane projects.
TXD delivers professional solutions based on high-quality crane rails and rich installation experiences. We aim to provide products that integrate load-bearing and wear reduction capacity. Special attention is paid to the chemical composition and mechanical properties to reach high precision, which ultimately brings cost-effectiveness.
| Crane Rail Type | Standard | Rail Size | Material | Standard Length |
| QU Series | Chinese YB/T 5055-2014 |
QU70, QU80, QU100, QU120 |
U71Mn, U75V | 12m |
| A Series | German DIN536 |
A45, A55, A65, A75, A100, A120, A150 |
50Mn, U71Mn | 10/12/15m |
| ASCE Series | American ASTM A1, AREMA |
ASCE25, ASCE30, ASCE40, ASCE50 ASCE60, ASCE70, ASCE75, ASCE85 |
700, 900A/1100 | 6-12m, 12-25m |
| UIC Series | International Union of Railways UIC860-0, EN-13674-1 |
UIC50, UIC54, UIC60 | 900A/1100 | 12-25m |
| BS Series | British BS11-1985 |
BS50’O’、BS60A、BS60R, BS75A、BS75R、BS80A, BS100A、BS113A |
700/900A | 8-25m |
| JIS Series | Japanese JIS E1103/1101 |
15kg, 22kg, 30A, 37A, 50N, CR73, CR100 |
According to JIS | 9-10m |
| AS Series | Australian AS 1085 |
31kg, 41kg, 47kg, 50kg, 53kg, 60kg, 66kg, 68kg, 73kg, 86kg, 89kg |
900A/1100 | 8-25m |
| ISCOR Series | South African ISCOR |
15kg, 22kg, 30kg, 40kg, 48kg, 57kg |
700/900A | 9-25m |


| size | h mm |
b mm |
b1 mm |
b2 mm |
S mm |
Section cm2 | Nominal Weight (kg/m) |
|---|---|---|---|---|---|---|---|
| Qu70 | 120 | 70 | 76.5 | 120 | 28 | 67.3 | 52.8 |
| Qu80 | 130 | 80 | 87 | 130 | 32 | 81.13 | 63.69 |
| Qu100 | 150 | 100 | 108 | 150 | 38 | 113.32 | 88.96 |
| Qu120 | 170 | 120 | 129 | 170 | 44 | 150.44 | 118.10 |
| Size | Head (mm) | Height (mm) | Base (mm) | Web (mm) | Nominal weight (kg/m) | Material | Length (m) |
|---|---|---|---|---|---|---|---|
| A45 | 45 | 55 | 125 | 24 | 22.1 | 700/900A/1100 | 10-12 |
| A55 | 55 | 65 | 150 | 31 | 31.8 | 700/900A/1100 | 10-12 |
| A65 | 65 | 75 | 175 | 38 | 43.1 | 700/900A/1100 | 10-12 |
| A75 | 75 | 85 | 200 | 45 | 56.2 | 700/900A/1100 | 10-12 |
| A100 | 100 | 95 | 200 | 60 | 74.3 | 700/900A/1100 | 10-12 |
| A120 | 120 | 105 | 220 | 75 | 100 | 700/900A/1100 | 10-12 |
| A150 | 150 | 150 | 220 | 80 | 150.3 | 700/900A/1100 | 10-12 |
| ASCE Rail | Head Width (mm) |
Base Width | Rail Height | Waist Thickness | Nominal Weight (kg/m) | Material |
| ASCE12 (12-lb./yd rail) | 25.4 | 50.8 | 50.8 | 6.35 | 5.95 (12 lbs/yd) | 700 |
| ASCE20 (20-lb./yd rail) | 34.1 | 66.7 | 66.7 | 6.4 | 9.92 | 700 |
| ASCE25 (25-lb./yd rail) | 38.1 | 69.85 | 69.85 | 7.54 | 12.2 | 700 |
| ASCE30 (30-lb./yd rail) | 42.86 | 79.37 | 79.37 | 8.33 | 15.2 | 700 |
| ASCE40 (40-lb./yd rail) | 47.62 | 88.9 | 88.9 | 9.90 | 19.84 | 700 |
| ASCE50 (50-lb./yd rail) | 54 | 98.43 | 98.43 | 11.11 | 24.85 | 700 |
| ASCE60 (60-lb./yd rail) | 60.32 | 107.95 | 107.95 | 12.3 | 30.1 | 700 |
| ASCE70 (70-lb./yd rail) | 61.91 | 117.48 | 117.48 | 13.1 | 34.5 | 700 |
| ASCE75 (70-lb./yd rail) | 62.71 | 122.2 | 122.2 | 13.5 | 37.2 | 900A/1100 |
| ASCE80 (80-lb./yd rail) | 63.50 | 127.00 | 127.00 | 13.89 | 39.82 | 900A/1100 |
| ASCE85 (85-lb./yd rail) | 65.09 | 131.76 | 131.76 | 14.29 | 42.3 | 900A/1100 |
| Size | Head (mm) | Height (mm) | Base (mm) | Web (mm) | Nominal weight (kg/m) |
|---|---|---|---|---|---|
| CR104 | 63.5 | 127 | 127 | 25.7 | 104 |
| CR105 | 65.1 | 131.8 | 131.8 | 23.8 | 105 |
| CR135 | 86.5 | 146.1 | 131.8 | 31.7 | 135 |
| CR171 | 109.1 | 152.4 | 152.4 | 31.7 | 171 |
| CR175 | 107.9 | 152.4 | 152.4 | 38.1 | 175 |
| Size | DIMENSIONS (mm) | Weight | Materials | Length | |||
| Head | Height | Bottom | Web Thickness | (KG/M) | (m) | ||
| U.I.C.50 | 70 | 152 | 125 | 15 | 50.46 | 900A/1100 | 12-25 |
| U.I.C.54 | 70 | 159 | 140 | 16 | 54.43 | 900A/1100 | 12-25 |
| U.I.C.60 | 74.3 | 172 | 150 | 16.5 | 60.21 | 900A/1100 | 12-25 |


| Size | Head | Hight | Base | Web | Weight | Material | Length |
|---|---|---|---|---|---|---|---|
| CR100 | 120 | 150 | 155 | 39 | 100.2 | U71Mn | 10-12 |
| CR73 | 100 | 135 | 140 | 32 | 73.3 | U71Mn | 10-12 |

Our crane rail covers the Chinese standard QU series, Japanese standard CR series, European standard DIN 536 crane rail, ASEC crane rails, and other standard crane rails from America and South Africa.
You will find a well-matched crane rail clip, clamp,crane rail pad, sole plate, hook bolt,anchor bolts, etc.
We have built large-capacity warehouses in five city ports. Therefore, you don’t worry about the inventory or speed of shipments.
AGICO not only provides necessary products for the crane rail system but also customizes solutions to fit the various application scenarios.
Yangshan Wharf and Zhoushan Port adopt the crane rails from us. In addition to long-term cooperation with clients in the domestic market, our crane rails have also been sold to Thailand, Indonesia, Bangladesh, Vietnam, Saudi Arabia, Bolivia, etc, and more than 18 countries and regions overseas.
Places where bridge cranes are used such as factory workshops and warehouses.
Crane rails are installed on I-beam beams or track beams to bear the wheel pressure of lateral movement.
Requires high wear resistance, stable load-bearing, and is not easy to deform.
Commonly found in ports, shipyards, container yards, and steel warehouses.
Usually, a track is laid on the ground, installed on a concrete foundation.
Crane rails can withstand long-term rolling of large-tonnage lifting equipment.
Applied in railway freight yards, mines, machinery manufacturing, etc.
Crane rails must meet high-frequency start-stop and impact resistance.
Commonly used in small and medium-sized factories and maintenance workshops.
Crane rails can be used on track beams and can also be used in conjunction with steel structures to erect light track systems.
Certain logistics automation systems and stacker track systems also use crane rails.
Requires precise docking and smooth operation.
Crane Rail Installation
The Crane rail track serves as the foundation for crane equipment to move and bear weight. The precision and installation quality affect the safe operation of a crane. There are two kinds of rail beams commonly used for installing crane rails: one is a steel structure beam, and the other is a precast concrete beam. Precast concrete beams must have pre-embedded holes in case of bolt mounting. The installation method of crane rail includes pressing clamp fixing, hook screw fixing, welding, and bolt fixing. To adjust the horizontal direction, the holes in the rail clamp are usually long, and the adjustment in the vertical direction can be cushioned under the rail. To have enough rigidity, each rail clamp can be made with a single hole or a double hole according to the volume of the force. Only when the track is connected with the rail beam or the steel plate fixed on the rail beam by welding can the car gear be welded to the track.
Complete supply of railway products including railroad rails and other track materials.
World-renowned for its expertise in providing top-ranking services.
Sufficient inventory for railroad tracks and rail fasteners of all standards.
The factory price saves your investment.
Fast delivery near the port.
